Specjalnie zbudowana ochrona DC dla tablic PV.
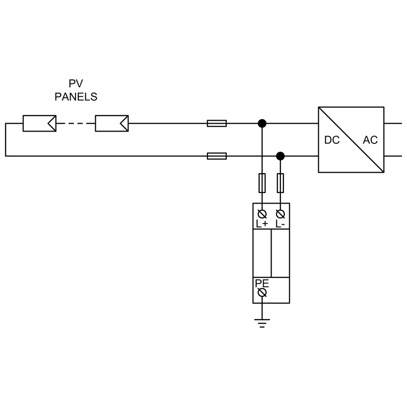
Niniejsze zatrzymania przypływu typu 2 chronią struny PV, szyny szynowe i falowniki przed przejściowymi przepięciami spowodowanymi przez zdarzenia pioruna lub operacje przełączania. Zapewniają, że wiązanie ekonomiczne zarówno pozytywnych, jak i ujemnych szyn PV i pomagają utrzymać czas uprawiania systemu na wszystkich poziomach ochrony błyskawicy (LPL I - IV).
U lub y połączenie - zmień to, czego potrzebuje Twój projekt.
Połączenie U: konwencjonalna topologia ochrony obwodów PV DC.
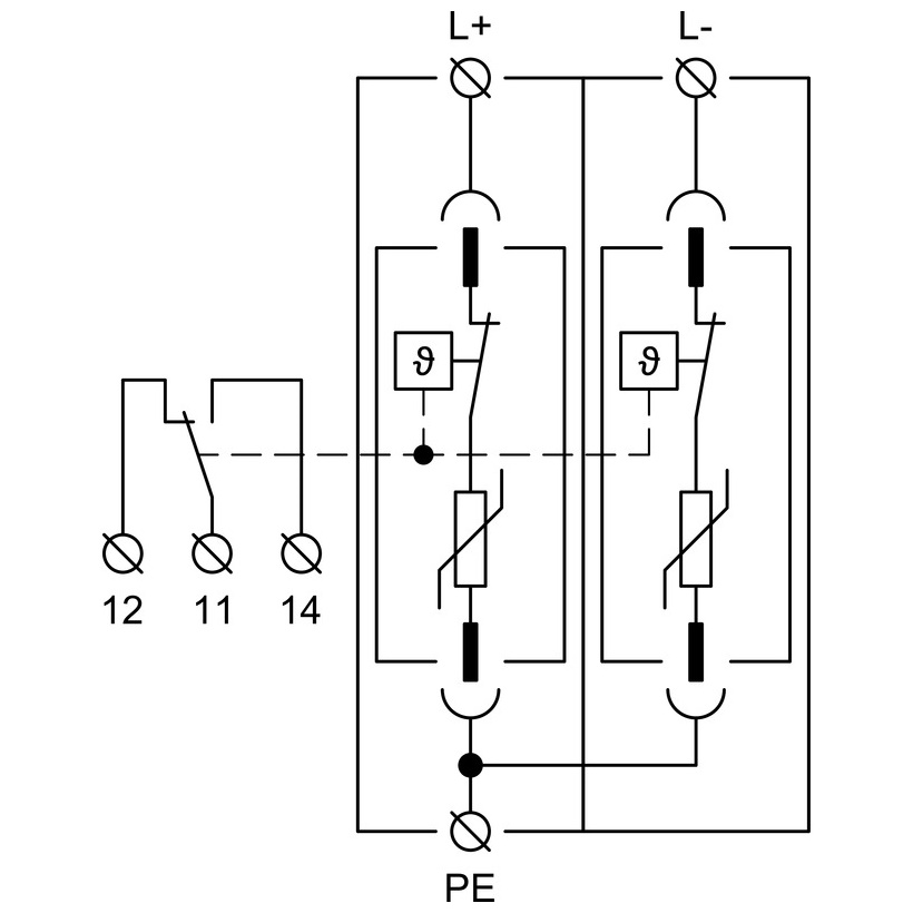
Y Połączenie: Varistors ułożone w PE, aby przewodniki robocze pozostały odporne na Ziemię i nie ma prądu zerowego (wycieku) przez przewodnik PE, poprawiając zachowanie EMC i minimalizując uciążliwe ścieżki prądu.
Wbudowane bezpieczeństwo-nie wymaga bezpiecznika kopii zapasowej.
Poszczególne sektory Varistor między L+, L- i PE są wyposażone w wewnętrzne rozłączenia termiczne. Gdy Varystor osiąga końcówkę życia (przegrzanie), rozłączają się, wyraźnie wskazując na usterkę i przerywając prąd DC. Dzięki ich specjalnej konstrukcji te zatrzymania można zainstalować bez oddzielnego bezpiecznika kopii zapasowej (z zastrzeżeniem koordynacji systemu).
Elastyczne wdrożenie z zewnętrznymi LPS lub bez.
Zainstaluj po stronie DC systemów PV bez zewnętrznego systemu ochrony pioruna (LPS) lub z LPS, gdy utrzymuje się wymagana odległość separacji „S”. Obsługuje to bezpieczną integrację w nowych kompilacjach i moderniziach.
Opcje usług i monitorowania.
M Wskazanie: Wersja z wymiennym (wtyczkowym modułem ochronnym do szybkiej wymiany.
S Wskazanie: Wersja z kontaktem zdalnym monitorowaniem dla sygnalizacji stanu do przekaźników SCADA/PLC/Alarm.
Typowe zastosowania
Struny PV, pola kombinerowe/ponowne zawoś
Instalacje PV na skalę, komercyjne i przemysłowe oraz na dachu
Miejsca z zewnętrznym LPS lub bez, gdzie obserwuje się odległość separacji „s”
Kluczowe funkcje na pierwszy rzut oka
TYP 2 PRZEDSTAWY SIĘ SYSTEMY DC PV (U lub Y Połączenie)
Y Zaleta połączenia: odporne na ziemię przewodniki robocze i zerowy wyciek PE
Wewnętrzne rozłączenia termiczne na ścieżkach wartyk (L+, L-, PE)
Prąd prądu prądu prądu stałego w usterce; Brak bezpiecznika kopii zapasowej
Odpowiedni dla wszystkich poziomów LPL; Obsługuje wiązanie ekwipotensy
M = moduł zdejmowany; S = kontakt zdalnego monitorowania

